Техническое описание
Условия применения
Габаритные и присоединительные размеры
Технические характеристики
Монтажное исполнение
Паспорт
Техническое описание
Мотор-редукторы серии 4МЦ2С имеют превосходные показатели КПД и поэтому могут эксплуатироваться в длительном режиме. Во время работы механизм редуктора постоянно смазывается маслом, что исключает нагрев и потерю момента. Редукторы имеют удобное для монтажа крепление, а передача энергии от двигателя к нагрузке происходит по соосной схеме. Обратите внимание, что цилиндрические мотор-редукторы 1МЦ2С и 4МЦ2С имеют одинаковые присоединительные размеры и технические характеристики.
УСЛОВИЯ ПРИМЕНЕНИЯ РЕДУКТОРОВ
- Нагрузка постоянная или изменяемая не превышающая максимальный момент
- реверс в обе стороны, без изменений рабочих характеристик
- климатические условия соответствуют ГОСТ 15150-69 (У2, У3, Т2)
- Время работы редуктора от 8 до 24 часов в сутки, при достижении пиковых температурных значений делаются кратковременные перерывы
- условия работы не более 1000 метров над уровнем моря
Мотор-редукторы 4МЦ2С-63

Мотор-редукторы 4МЦ2С-80, 4МЦ2С-100, 4МЦ2С-125
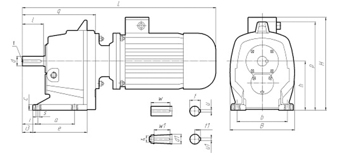
Габаритные и присоединительные размеры
4МЦ2С-63 G110 - на лапах

Присоединительные размеры(мм) |
Габаритные размеры (мм) |
a |
b |
c |
e |
s |
h |
i |
i3 |
L |
B |
H |
p |
q |
110 |
150 |
16 |
160 |
12 |
140 |
48 |
33 |
527-623 |
200-250 |
257-275 |
260 |
220 |
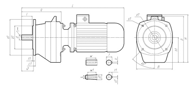
4МЦ2С-63 G310 - фланцевое исполнение

Присоединительные размеры(мм) |
Габаритные размеры (мм) |
a1 |
b1 |
c1 |
e1 |
f1 |
s1 |
h1 |
i2 |
L |
B |
H |
p |
q |
200 |
130 |
12 |
185 |
5 |
11 |
140 |
69 |
527-623 |
200-250 |
257-275 |
260 |
220 |
Размеры выходного вала |
Цилиндрический |
d |
t |
u |
l |
w |
T |
28 |
31 |
8 |
60 |
58 |
M10-7Н |
Конический |
d1 |
t1 |
u1 |
l |
w1 |
T1 |
28 |
14,9 |
5 |
60 |
42 |
M16x1,5-8g |
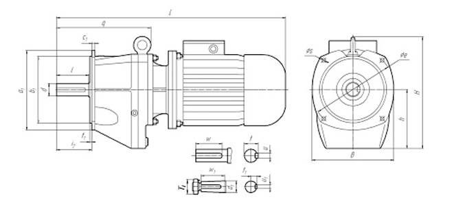
4МЦ2С-80 G110 - на лапах

Присоединительные размеры (мм) |
Габаритные размеры (мм) |
a |
b |
c |
e |
s |
h |
i |
i3 |
L |
B |
H |
p |
q |
115 |
180 |
18 |
175 |
15 |
170 |
75 |
53 |
584-700 |
250 |
300-317 |
300 |
262 |
4МЦ2С-80 G310 - фланцевое исполнение

Присоединительные размеры (мм) |
Габаритные размеры (мм) |
a1 |
b1 |
c1 |
e |
s |
h1 |
i2 |
f1 |
L |
B |
H |
p |
q |
250 |
180 |
14 |
240 |
14 |
168 |
90 |
5 |
584-700 |
250 |
300-317 |
308 |
262 |
Размеры выходного вала |
Цилиндрический |
d |
t |
u |
l |
w |
T |
35 |
38 |
10 |
80 |
75 |
М12-7Н |
Конический |
d1 |
t1 |
u1 |
l |
w1 |
T1 |
35 |
18,5 |
6 |
80 |
58 |
М20х1,5-8g |
4МЦ2С-100 G110 - на лапах

Присоединительные размеры (мм) |
Габаритные размеры (мм) |
a |
b |
c |
e |
s |
h |
i |
i3 |
L |
B |
H |
q |
130 |
210 |
22 |
195 |
14 |
212 |
110 |
90 |
717-767 |
250-350 |
390 |
317 |
4МЦ2С-100 G310 - фланцевое исполнение

Присоединительные размеры (мм) |
Габаритные размеры (мм) |
a1 |
b1 |
c1 |
e |
s |
h |
i2 |
f1 |
L |
B |
H |
q |
270 |
230 |
14 |
275 |
14 |
210 |
120 |
7 |
717-767 |
250-350 |
390 |
317 |
Размеры выходного вала |
Цилиндрический |
d |
t |
u |
l |
w |
T |
45 |
48,5 |
14 |
110 |
104 |
M16-7Н |
Конический |
d1 |
t1 |
u1 |
l |
w1 |
T1 |
45 |
23,45 |
12 |
110 |
82 |
M30x2-8g |
4МЦ2С-125 G110 - на лапах

Присоединительные размеры (мм) |
Габаритные размеры (мм) |
a |
b |
c |
e |
s |
h |
i |
i3 |
L |
B |
H |
p |
q |
160 |
280 |
28 |
235 |
19 |
265 |
105 |
80 |
810-1055 |
350 |
485 |
|
355 |
4МЦ2С-125 G310 - фланцевое исполнение

Присоединительные размеры (мм) |
Габаритные размеры (мм) |
a1 |
b1 |
c1 |
e |
f1 |
s |
h |
i2 |
L |
B |
H |
p |
q |
360 |
300 |
20 |
350 |
5 |
18 |
260 |
105 |
810-1055 |
360 |
480-520 |
475 |
355 |
Размеры выходного вала |
Цилиндрический |
d |
t |
u |
l |
w |
T |
55 |
59 |
16 |
110 |
100 |
М16-7Н |
Конический |
d1 |
t1 |
u1 |
l |
w1 |
T1 |
55 |
28,9 |
16 |
110 |
82 |
М36х3-8g |
Технические характеристики 4МЦ2С-63, 4МЦ2С-80, 4МЦ2С-100, 4МЦ2С-125
Типоразмер |
Номинальная частота вращения выходного вала, об/мин |
Номинальный крутящий момент на тихоходном валу, H*м |
Радиальная консольная нагрузка на конце тихоходного вала, Н |
Масса без смазки, не более, кг |
Типоразмер двигателя |
Мощность двигателя |
КПД мотор-редуктора, %, не менее |
4МЦ2С-63 |
28 |
175 |
3300 |
21 |
АИР71В6Р3 |
0,55 |
66 |
35,5 |
140 |
3000 |
21 |
АИР71В6Р3 |
66 |
190 |
3500 |
27 |
АИР80А6Р3 |
0,75 |
68 |
45 |
113 |
2600 |
21 |
АИР71В6Р3 |
0,55 |
66 |
154 |
3100 |
27 |
АИР80А6Р3 |
0,75 |
68 |
56 |
96 |
2400 |
21 |
АИР71А4Р3 |
0,55 |
140 |
3000 |
АИР71В4Р3 |
0,75 |
73 |
206 |
3400 |
27 |
АИР80А4Р3 |
1,1 |
71 |
75 |
2100 |
21 |
АИР71А4Р3 |
0,55 |
72 |
105 |
2600 |
АИР71В4Р3 |
0,75 |
73 |
148 |
3000 |
27 |
АИР80А4Р3 |
1,1 |
90 |
57 |
1800 |
21 |
АИР71А4Р3 |
0,55 |
72 |
78 |
2200 |
АИР71В4Р3 |
0,75 |
73 |
112 |
2600 |
27 |
АИР80А4Р3 |
1,1 |
153 |
3100 |
АИР80В4Р3 |
1,5 |
75 |
112 |
47 |
1700 |
21 |
АИР71А4Р3 |
0,55 |
72 |
65 |
2000 |
АИР71В4Р3 |
0,75 |
73 |
92 |
2300 |
27 |
АИР80А4Р3 |
1,1 |
128 |
2400 |
АИР80В4Р3 |
1,5 |
75 |
187 |
3400 |
32 |
АИР90L4Р3 |
2,2 |
78 |
125 |
43 |
1600 |
21 |
АИР71А4Р3 |
0,55 |
72 |
59 |
1900 |
АИР71В4Р3 |
0,75 |
73 |
84 |
2300 |
27 |
АИР80А4Р3 |
1,1 |
114 |
2600 |
АИР80В4Р3 |
1,5 |
75 |
159 |
3100 |
АИР80В2Р3 |
2,2 |
80 |
140 |
37 |
1500 |
21 |
АИР71А4Р3 |
0,55 |
72 |
52 |
1800 |
АИР71В4Р3 |
0,75 |
73 |
73 |
2100 |
27 |
АИР80А4Р3 |
1,1 |
101 |
2500 |
АИР80В4Р3 |
1,5 |
75 |
149 |
3100 |
АИР80В2Р3 |
2,2 |
80 |
180 |
27 |
1300 |
16 |
АИР63В2 |
0,55 |
72 |
36 |
1500 |
21 |
АИР71А2Р3 |
0,75 |
75 |
53 |
1800 |
АИР71В2Р3 |
1,1 |
73 |
2100 |
27 |
АИР80А2Р3 |
1,5 |
74 |
107 |
2500 |
АИР80В2Р3 |
2,2 |
86 |
150 |
3000 |
32 |
АИР90L2Р3 |
3,0 |
81 |
224 |
22 |
1100 |
16 |
АИР63В2 |
0,55 |
72 |
29 |
1300 |
21 |
АИР71А2Р3 |
0,75 |
75 |
46 |
1700 |
АИР71В2Р3 |
1,1 |
63 |
1900 |
27 |
АИР80А2Р3 |
1,5 |
74 |
92 |
2400 |
АИР80В2Р3 |
2,2 |
86 |
125 |
2700 |
32 |
АИР90L2Р3 |
3,0 |
81 |
280 |
18 |
1000 |
16 |
АИР63В2 |
0,55 |
72 |
24 |
1200 |
21 |
АИР71А2Р3 |
0,75 |
75 |
36 |
1500 |
АИР71В2Р3 |
1,1 |
50 |
1700 |
27 |
АИР80А2Р3 |
1,5 |
74 |
73 |
2100 |
АИР80В2Р3 |
2,2 |
86 |
99 |
2400 |
32 |
АИР90L2Р3 |
3,0 |
81 |
4МЦ2С-80 |
28 |
250 |
4000 |
36 |
АИР90LА8Р3 |
0,75 |
72 |
368 |
4800 |
40 |
АИР90LВ8Р3 |
1,1 |
74 |
35,5 |
292 |
4300 |
368 |
4800 |
37 |
АИР90L6Р3 |
1,5 |
73 |
45 |
230 |
3800 |
40 |
АИР90LВ8Р3 |
1,1 |
74 |
304 |
4400 |
37 |
АИР90L6Р3 |
1,5 |
73 |
56 |
242 |
3900 |
37 |
АИР90L6Р3 |
1,5 |
73 |
366 |
4800 |
36 |
АИР90L4Р3 |
2,2 |
78 |
46 |
АИР100L6Р3 |
71 |
190 |
3400 |
37 |
АИР90L6Р3 |
1,5 |
73 |
303 |
4300 |
36 |
АИР90L4Р3 |
2,2 |
78 |
46 |
АИР100L6Р3 |
393 |
5000 |
41 |
АИР100S4Р3 |
3,0 |
79 |
90 |
228 |
3800 |
36 |
АИР90L4Р3 |
2,2 |
78 |
46 |
АИР100L6Р3 |
310 |
4200 |
41 |
АИР100S4Р3 |
3,0 |
79 |
112 |
185 |
3400 |
36 |
АИР90L4Р3 |
2,2 |
78 |
250 |
4000 |
41 |
АИР100S4Р3 |
3,0 |
79 |
332 |
4600 |
47 |
АИР100L4Р3 |
4,0 |
82 |
125 |
230 |
3800 |
41 |
АИР100S4Р3 |
3,0 |
82 |
307 |
4400 |
47 |
АИР100L4Р3 |
4,0 |
82 |
140 |
256 |
4000 |
47 |
АИР100L4Р3 |
4,0 |
82 |
302 |
4800 |
51 |
АИР100L2Р3 |
5,5 |
85 |
180 |
200 |
3500 |
47 |
АИР100L4Р3 |
4,0 |
82 |
43 |
АИР100S2Р3 |
84 |
280 |
4200 |
51 |
АИР100L2Р3 |
5,5 |
85 |
224 |
165 |
3300 |
43 |
АИР100S2Р3 |
4,0 |
84 |
227 |
3800 |
51 |
АИР100L2Р3 |
5,5 |
85 |
280 |
127 |
2800 |
47 |
АИР100S2Р3 |
4,0 |
84 |
175 |
3300 |
51 |
АИР100L2Р3 |
5,5 |
85 |
4МЦ2С-100 |
28 |
445 |
5300 |
79 |
АИР100L8Р3 |
1,5 |
71 |
655 |
6400 |
81 |
АИР100L6Р3 |
2,2 |
77 |
31,5 |
440 |
5200 |
79 |
АИР100L8Р3 |
1,5 |
71 |
35,5 |
555 |
6000 |
81 |
АИР100L6Р3 |
2,2 |
77 |
710 |
6700 |
100 |
АИРМ112МА6Р3 |
3,0 |
45 |
440 |
5300 |
81 |
АИР100L6Р3 |
2,2 |
77 |
595 |
6100 |
74 |
АИР100S4Р3 |
3,0 |
78 |
56 |
505 |
5700 |
74 |
АИР100S4Р3 |
3,0 |
78 |
675 |
6500 |
81 |
АИР100L4Р3 |
4,0 |
82 |
71 |
535 |
5800 |
81 |
АИР100L4Р3 |
4,0 |
82 |
710 |
6700 |
99 |
АИРМ112М4Р3 |
5,5 |
83 |
90 |
405 |
5100 |
81 |
АИР100L4Р3 |
4,0 |
82 |
545 |
5900 |
99 |
АИРМ112М4Р3 |
5,5 |
83 |
112 |
450 |
5400 |
99 |
АИРМ112М4Р3 |
5,5 |
83 |
620 |
6300 |
100 |
АИРМ112М2Р3 |
7,5 |
85 |
125 |
375 |
4800 |
99 |
АИРМ112М4Р3 |
5,5 |
83 |
537 |
5800 |
100 |
АИРМ112М2Р3 |
7,5 |
85 |
140 |
490 |
5600 |
160 |
445 |
5200 |
224 |
314 |
4400 |
280 |
244 |
3900 |
4МЦ2С-125 |
28 |
935 |
7700 |
122 |
АИРМ112МА6Р3 |
3,0 |
77 |
1245 |
8800 |
126 |
АИРМ112МВ6Р3 |
4,0 |
79 |
35,5 |
975 |
7800 |
126 |
АИРМ112МВ6Р3 |
4,0 |
79 |
1340 |
9200 |
148 |
АИРМ132S6Р3 |
5,5 |
83 |
45 |
780 |
700 |
126 |
АИРМ112МВ6Р3 |
4,0 |
79 |
1120 |
8400 |
127 |
АИРМ112М4Р3 |
5,5 |
83 |
56 |
880 |
7400 |
127 |
АИРМ112М4Р3 |
5,5 |
83 |
148 |
АИРМ132S6Р3 |
5,5 |
83 |
1200 |
8700 |
151 |
АИРМ132S4Р3 |
7,5 |
84 |
71 |
960 |
7800 |
|
|
|
|
1410 |
9400 |
166 |
АИРМ132М4Р3 |
11,0 |
85 |
90 |
775 |
7000 |
151 |
АИРМ132S4Р3 |
7,5 |
84 |
1140 |
8500 |
166 |
АИРМ132М4Р3 |
11,0 |
85 |
112 |
895 |
7500 |
166 |
АИРМ132М4Р3 |
11,0 |
85 |
1210 |
8700 |
206 |
АИРМ160S4Р3 |
15,0 |
84 |
140 |
704 |
6600 |
166 |
АИРМ132М4Р3 |
11,0 |
85 |
940 |
7700 |
206 |
АИРМ160S4Р3 |
15,0 |
84 |
1165 |
8600 |
228 |
АИРМ160М4Р3 |
18,5 |
86 |
180 |
557 |
5900 |
160 |
АИРМ132М2Р3 |
11,0 |
84 |
760 |
6900 |
206 |
АИРМ160S4Р3 |
15,0 |
84 |
940 |
7700 |
228 |
АИРМ160S4Р3 |
15,0 |
84 |
224 |
447 |
5200 |
160 |
АИРМ132М2Р3 |
11,0 |
84 |
609 |
6100 |
197 |
АИРМ160S2Р3 |
15,0 |
752 |
6800 |
207 |
АИРМ160М2Р3 |
18,5 |
86 |
Монтажное исполнение

Двухступенчатые цилиндрические редукторы 1Ц2У-100, 1Ц2У-125, 1Ц2У-160, 1Ц2У-200, 1Ц2У-250
Одноступенчатые цилиндрические редукторы серии ЦУ-100, ЦУ-160, ЦУ-200, ЦУ-250
Двухступенчатые цилиндрические редукторы серии 1Ц2У-315Н, 1Ц2У-355Н, 1Ц2У-400Н, 1Ц2Н-450, 1Ц2Н-500
Трехступенчатые цилиндрические редукторы ЦЗУ-160, ЦЗУ-200, ЦЗУ-250
Одноступенчатые червячные редукторы серии 1Ч-63А
Одноступенчатые червячные редукторы Ч-100, Ч-125, Ч-160
Одноступенчатые червячные редукторы 1Ч-160
Двухступенчатые редукторы Ч2-160
Редукторы червячные одноступенчатые 4Ч-80
Одноступенчатые червячные редукторы Ч-80
Одноступенчатые червячные редукторы 2Ч-40, 2Ч-63, 2Ч-80
Цилиндрические соосные мотор-редукторы MTC A
Цилиндрические соосные мотор-редукторы R (RF)
Двухступенчатые мотор-редукторы 4МЦ2С, 4МЦ2С-63, 4МЦ2С-80, 4МЦ2С-100, 4МЦ2С-125
Цилиндрические мотор-редукторы 1МЦ2С, 1МЦ2С-63, 1МЦ2С-80, 1МЦ2С-100, 1МЦ2С-125
Цилиндрические плоские мотор-редукторы серии F
Мотор-редукторы планетарные тип: 3МП-31,5; 3МП-40; 3МП-50; 3МП-63; 3МП-80; 3МП-100; 3МП-125
Мотор-редукторы планетарные двухступенчатые МПО2М-10, МПО2М-15
Мотор-редукторы планетарные одноступенчатые типа МПО1М-10
Мотор-редукторы планетарные МРВ-02 и МРВ-04
Волновые мотор-редукторы ЗМВз
Цилиндро-конические мотор-редукторы K
Вы можете купить необходимое оборудование в наших филиалах.
|