
Техническое описание
Условия применения
Габаритные и присоединительные размеры
Варианты сборки
Технические характеристики
Техническое описание
Цилиндрические редукторы серии ЦЗУ-160, ЦЗУ-200, ЦЗУ-250 горизонтального расположения. Эта серия позволяет получить большое число различных передаточных чисел за счет применения трех ступеней редукции. Для удобства внедрения редуктора в промышленные установки имеется возможность располагать валы в разные стороны. Основное применение редукторов ЦЗУ-160, ЦЗУ-200, ЦЗУ-250 это грузоподъемное оборудование и машиностроительные агрегаты.
Мало места для установки редуктора? Обратите внимание на раздел червячные редукторы. Эти агрегаты позволяют передавать вращение под прямым углом и имеют компактные размеры.
Условия использования редукторов
-
Тип и характер нагрузки: постоянная/переменная, одно направление/реверсивная;
-
Особенности режимов работы: длительная (до 24 часов/сут.), с периодическими остановами;
-
Вращение вала: в обе стороны с частотой < 1800 об/мин.;
-
Атмосфера: I и II (ГОСТ 15150 – 69), запыленность окружающего воздуха < 10 мг/куб.м.;
-
Специфика климатических исполнений: У и Т, категории размещения 1...3; и модификация УХЛ и О для категории 4, модели редукторов 1Ц3У-160 - исполнение ХЛ категории 1...3 (ГОСТ 15150-69).
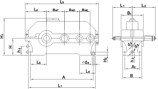
Габаритные и присоединительные размеры


Параметр |
Типоразмер редуктора |
ЦЗУ-160 |
ЦЗУ-200 |
ЦЗУ-250 |
aw Б |
160 |
200 |
250 |
aw П |
100 |
125 |
160 |
aw Т |
80 |
100 |
125 |
А |
475 |
580 |
750 |
А1 |
140 |
165 |
218 |
В |
195 |
230 |
280 |
B1 |
206 |
243 |
290 |
Н |
170 |
212 |
265 |
Н1 |
345 |
425 |
530 |
Н2 |
28 |
36 |
40 |
L1 |
160 |
190 |
236 |
L2 |
224 |
280 |
335 |
L3 |
630 |
775 |
950 |
L4 |
195 |
236 |
290 |
L5 |
136 |
165 |
212 |
L6 |
145 |
185 |
230 |
L7 |
530 |
650 |
825 |
b1 |
4 |
5 |
5 |
b2 |
14 |
18 |
22 |
d1 |
20 |
25 |
30 |
d2 |
55 |
70 |
90 |
d3 |
М12х1.25 |
M16xl,5 |
M20xl,5 |
d4 |
МЗ6xЗ |
М48х3 |
М64х4 |
d5 |
24 |
24 |
8 |
d6 |
М24 |
М24 |
М24 |
d7 |
40 |
45 |
50 |
d8 |
88 |
100 |
130 |
h1 |
4 |
5 |
5 |
h2 |
9 |
11 |
14 |
h3 |
32 |
32 |
32 |
h4 |
110 |
125 |
160 |
l1 |
36 |
42 |
58 |
l2 |
82 |
105 |
130 |
l3 |
50 |
60 |
80 |
l4 |
110 |
140 |
170 |
t1 |
2,5 |
3,0 |
3,0 |
t2 |
5,5 |
7,0 |
9,0 |
Объем заливаемого масла, л |
6,2 |
12,0 |
18,4 |
Масса, кг |
160 |
186 |
335 |
Варианты сборки редукторов типа Ц3У

Технические характеристики цилиндрических редукторов ЦЗУ
Параметр |
Типоразмер редуктора |
ЦЗУ-160 |
ЦЗУ-200 |
ЦЗУ-250 |
Номинальные передаточные числа |
31,5; 40; 45; 50; 56; 63; 80; 100; 125; 160; 200 |
16; 20; 25; 31,5; 40; 45; 50; 56; 63; 80; 100; 125; 160; 200 |
Номинальный вращающий момент на выходном валу Н*м |
1250 |
2500 |
5000 |
Номинальная радиальная сила, Н: |
на входном валу |
500 |
1000 |
2000 |
на выходном валу |
8000 |
11200 |
16000 |
Объем заливаемого масла, л |
6,2 |
12,0 |
18,4 |
Масса, кг |
106 |
186 |
335 |
Двухступенчатые цилиндрические редукторы 1Ц2У-100, 1Ц2У-125, 1Ц2У-160, 1Ц2У-200, 1Ц2У-250
Одноступенчатые цилиндрические редукторы серии ЦУ-100, ЦУ-160, ЦУ-200, ЦУ-250
Двухступенчатые цилиндрические редукторы серии 1Ц2У-315Н, 1Ц2У-355Н, 1Ц2У-400Н, 1Ц2Н-450, 1Ц2Н-500
Трехступенчатые цилиндрические редукторы ЦЗУ-160, ЦЗУ-200, ЦЗУ-250
Одноступенчатые червячные редукторы серии 1Ч-63А
Одноступенчатые червячные редукторы Ч-100, Ч-125, Ч-160
Одноступенчатые червячные редукторы 1Ч-160
Двухступенчатые редукторы Ч2-160
Редукторы червячные одноступенчатые 4Ч-80
Одноступенчатые червячные редукторы Ч-80
Одноступенчатые червячные редукторы 2Ч-40, 2Ч-63, 2Ч-80
Цилиндрические соосные мотор-редукторы MTC A
Цилиндрические соосные мотор-редукторы R (RF)
Двухступенчатые мотор-редукторы 4МЦ2С, 4МЦ2С-63, 4МЦ2С-80, 4МЦ2С-100, 4МЦ2С-125
Цилиндрические мотор-редукторы 1МЦ2С, 1МЦ2С-63, 1МЦ2С-80, 1МЦ2С-100, 1МЦ2С-125
Цилиндрические плоские мотор-редукторы серии F
Мотор-редукторы планетарные тип: 3МП-31,5; 3МП-40; 3МП-50; 3МП-63; 3МП-80; 3МП-100; 3МП-125
Мотор-редукторы планетарные двухступенчатые МПО2М-10, МПО2М-15
Мотор-редукторы планетарные одноступенчатые типа МПО1М-10
Мотор-редукторы планетарные МРВ-02 и МРВ-04
Волновые мотор-редукторы ЗМВз
Цилиндро-конические мотор-редукторы K
Вы можете купить необходимое оборудование в наших филиалах.
|