
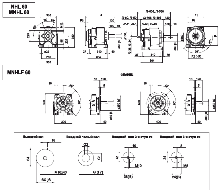
Габаритно-присоединительные размеры MNHL 60 |
| |
|

60/2 - 60/3 |
G |
G1 |
G2 |
F |
F1 |
F2 |
F3 |
F4 |
Н |
/2(/2F)... 100-112 В5 |
28 |
31,3 |
8 |
250 |
215 |
180 |
25 |
М12 |
551 |
/2...132 B5/2F...132 В5 |
38 |
41,3 |
10 |
300 |
265 |
230 |
25 |
М12 |
551 |
/2...160 B5/2F...160 В5 |
42 |
45,3 |
12 |
350 |
300 |
250 |
25 |
17 |
551 |
/2...180 B5/2F...180 В5 |
48 |
51,8 |
14 |
350 |
300 |
250 |
25 |
17 |
551 |
/2...200 B5/2F...200 В5 |
55 |
59,3 |
16 |
400 |
350 |
300 |
25 |
18 |
551 |
13... 80 B5/3F ... 80 В5 |
19 |
21,8 |
6 |
200 |
165 |
130 |
15 |
11,5 |
534 |
13... 90 B5/3F ... 90 В5 |
24 |
27,3 |
8 |
200 |
165 |
130 |
15 |
11,5 |
534 |
/3(/3F)... 100-112 В5 |
28 |
31,3 |
8 |
250 |
215 |
180 |
15 |
14 |
537 |
/3...132 B5/3F...132 В5 |
38 |
41,3 |
10 |
300 |
265 |
230 |
15 |
14 |
537 |
|
| |