
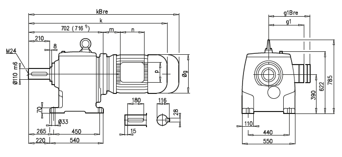
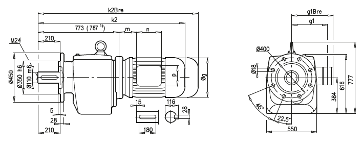
Габаритные и присоединительные размеры NORD мотор-редукторы SK 93, SK 93F |
| |
SK 93

SK 93F

A45 |
132 S/M |
160 M/L |
180 MX/LX |
200 L |
225 S/M |
250 M 1) |
280 S 1) |
g |
266 |
320 |
358 |
398 |
398 |
495 |
555 |
g1 / g1Bre |
204 / 201 |
242 / 242 |
259 / 259 |
306 / 306 |
306 / 306 |
392 / 392 |
432 / 432 |
k / kBre |
1137 / 1244 |
1194 / 1373 |
1304 / 1409 |
1389 / 1556 |
1389 / 1556 |
1476 / 1726 |
1546 / 1726 |
k2 / k2Bre |
1208 / 1315 |
1265 / 1444 |
1375 / 1480 |
1460 / 1627 |
1460 / 1627 |
1547 / 1797 |
1617 / 1797 |
m / mBre |
71 / 64 |
52 / 52 |
93 / 78 |
110 / 110 |
110 / 110 |
129 / 129 |
144 / 144 |
n / nBre |
122 / 185 |
186 / 186 |
132 / 162 |
192 / 192 |
192 / 192 |
236 / 236 |
236 / 236 |
p / pBre |
122 / 139 |
186 / 186 |
152 / 162 |
260 / 260 |
260 / 260 |
300 / 300 |
300 / 300 |
|
| |