
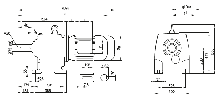
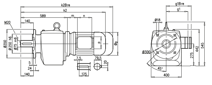
Габаритные и присоединительные размеры NORD мотор-редукторы SK 72, SK 72F |
| |
SK 72

SK 72F

A45 |
132 M |
160 M/L |
180 MX/LX |
200 L |
225 S/M |
g |
266 |
320 |
358 |
398 |
398 |
g1 / g1Bre |
204 / 201 |
242 / 242 |
259 / 259 |
306 / 306 |
306 / 306 |
k / kBre |
959 / 1066 |
1016 / 1195 |
1126 / 1231 |
1211 / 1378 |
1211 / 1378 |
k2 / k2Bre |
1024 / 1131 |
1081 / 1260 |
1191 / 1296 |
1276 / 1443 |
1276 / 1443 |
m / mBre |
71 / 64 |
52 / 52 |
93 / 78 |
110 / 110 |
110 / 110 |
n / nBre |
122 / 185 |
186 / 186 |
132 / 162 |
192 / 192 |
192 / 192 |
p / pBre |
122 / 139 |
186 / 186 |
152 / 162 |
260 / 260 |
260 / 260 |
|
| |