
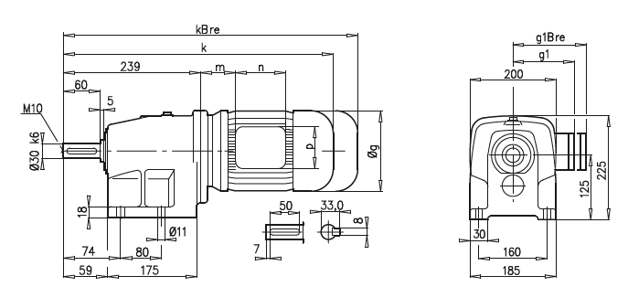
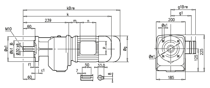
Габаритные и присоединительные размеры NORD мотор-редукторы SK 22, SK 22F |
| |
SK 22

SK 22F

a1 |
b1 |
c1 |
e1 |
f1 |
s1 |
160 |
110 |
10 |
130 |
3,5 |
9 |
200 |
130 |
12 |
165 |
3,5 |
11 |
A45 |
71 S/L |
80 S/L |
90 S/L |
100 L |
112 M |
g |
145 |
165 |
183 |
201 |
228 |
g1 / g1Bre |
124 / 133 |
142 / 142 |
147 / 147 |
169 / 172 |
179 / 182 |
k / kBre |
469 / 527 |
494 / 558 |
535 / 610 |
565 / 656 |
588 / 681 |
m / mBre |
36 / 43 |
41 / 45 |
46 / 50 |
52 / 56 |
68 / 72 |
n / nBre |
100 / 134 |
114 / 153 |
114 / 153 |
114 / 153 |
114 / 153 |
p / pBre |
100 / 89 |
114 / 108 |
114 / 108 |
114 / 108 |
114 / 108 |
|
| |