
Габаритные и присоединительные размеры NORD мотор-редукторы SK 92072, SK 92072AX, SK 92072AF, SK 92072VF, SK 92072AFB(AXB), SK 92072AD, SK 92072AZ, SK 92072 AZB, SK 92072AZSH |
| |
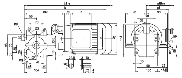
| SK 92072 |
SK 92072AX |
 |
 |
| SK 92072AF |
SK 92072VF |
 |
 |
a1 |
b1 |
c1 |
e1 |
f1 |
s1 |
140 |
95 |
10 |
115 |
3 |
4 x 9 |
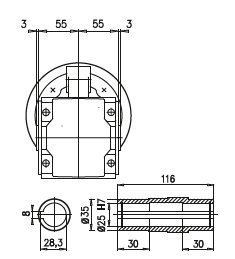
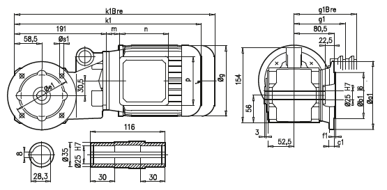
| SK 92072AFB(AXB) |
SK 92072AD |
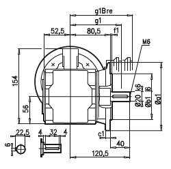
.png) |
 |
A45 |
63 S/L |
71 S/L |
80 S/L |
90 S/L |
g |
130 |
145 |
165 |
183 |
g1 / g1Bre |
115 / 123 |
124 / 133 |
142 / 142 |
147 / 147 |
k1 /k1Bre |
383 / 439 |
405 / 463 |
427 / 491 |
467 / 542 |
k / kBre |
381 / 437 |
403 / 461 |
425 / 489 |
465 / 540 |
m / mBre |
12 / 19 |
20 / 27 |
22 / 26 |
26 / 30 |
n / nBre |
100 / 134 |
100 / 134 |
114 / 153 |
114 / 153 |
p / pBre |
100 / 89 |
100 / 89 |
114 / 108 |
114 / 108 |
|
| |