
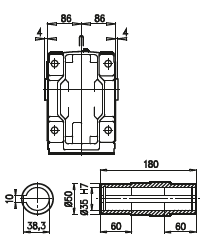
Габаритные и присоединительные размеры NORD мотор-редукторы SK 9022.1, SK 9022.1AX, SK 9022.1AF, SK 9022.1VF, SK 9022.1AFB(AXB), SK 9022.1AZ, SK 9022.1AZEA, SK 9022.1AZB, SK 9022.1AZSH, SK 9022.1 AZD, SK 9022.1 AZK |
| |
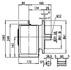
| SK 9023.1 |
SK 9023.1AX |
 |
 |
| SK 9023.1AF |
SK 9023.1VF |
 |
 |
a1 |
b1 |
c1 |
e1 |
f1 |
s1 |
250 |
180 |
16 |
215 |
4 |
4 x 14 |
A45 |
63 S/L |
71 S/L |
g |
130 |
145 |
g1 / g1Bre |
115 / 123 |
124 / 133 |
k1 / k1Bre |
546 / 602 |
586 / 644 |
k / kBre |
544 / 600 |
584 / 642 |
m / mBre |
16 / 23 |
42 / 44 |
n / nBre |
100 / 134 |
100 / 134 |
p / pBre |
100 / 89 |
100 / 89 |
| SK 9023.1AZ |
 |
| SK 9023.1 AZD |
SK 9023.1 AZK |
 |
 |
A45 |
63 S/L |
71 S/L |
g |
130 |
145 |
g1 / g1Bre |
115 / 123 |
124 / 133 |
k1 / k1Bre |
546 / 602 |
586 / 644 |
m / mBre |
16 / 23 |
42 / 44 |
n / nBre |
100 / 134 |
100 / 134 |
p / pBre |
100 / 89 |
100 / 89 |
|
| |