
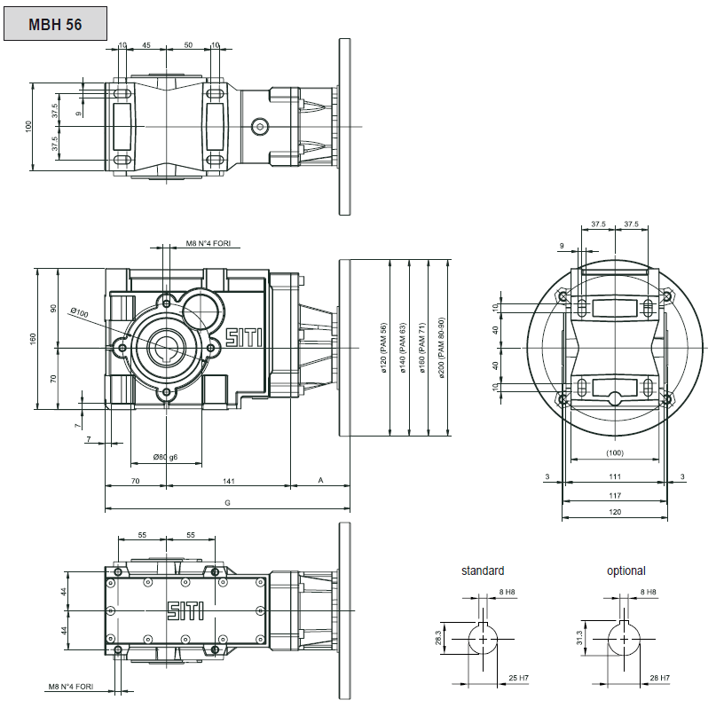
Габаритно-присоединительные размеры MBH 56 |
| |


|
А |
G |
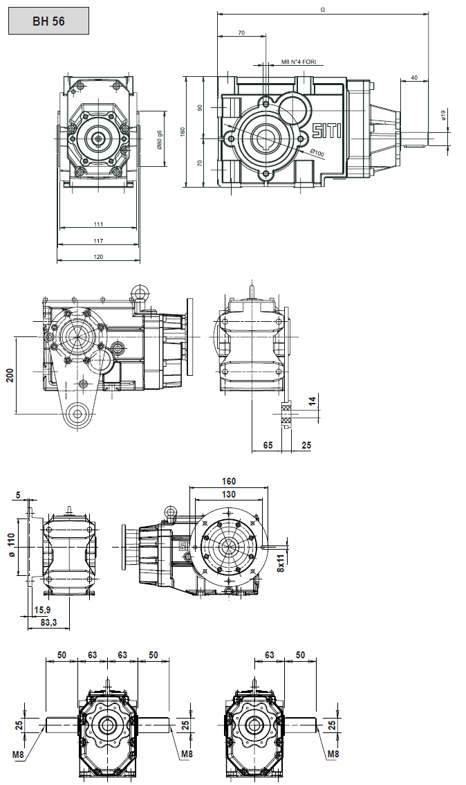
ВН 56 |
|
304,5 |
МВН56 РАМ 56 |
69,5 |
280,5 |
МВН56 РАМ 63 |
68,5 |
279,5 |
МВН56 РАМ 71 |
67,5 |
278,5 |
МВН56 РАМ 80 |
67,5 |
278,5 |
МВН56 РАМ 90 |
67,5 |
278,5 |
i |
MBH |
90 |
80 |
71 |
63 |
56 |
9.29 |
|
|
|
|
|
12.00 |
|
|
|
|
|
15.66 |
|
|
|
|
|
20.24 |
|
|
|
|
|
24.36 |
|
|
|
|
|
29.65 |
|
|
|
|
|
36.06 |
|
|
|
|
|
43.12 |
|
|
|
|
|
51.85 |
|
|
|
|
|
66.82 |
|
|
|
|
|
68.22 |
|
|
|
|
|
76.87 |
|
|
|
|
|
89.28 |
|
|
|
|
|
93.19 |
|
|
|
|
|
111.44 |
|
|
|
|
|
125.56 |
|
|
|
|
|
150.99 |
|
|
|
|
|
173.68 |
|
|
|
|
|
195.68 |
|
|
|
|
|

|
| |