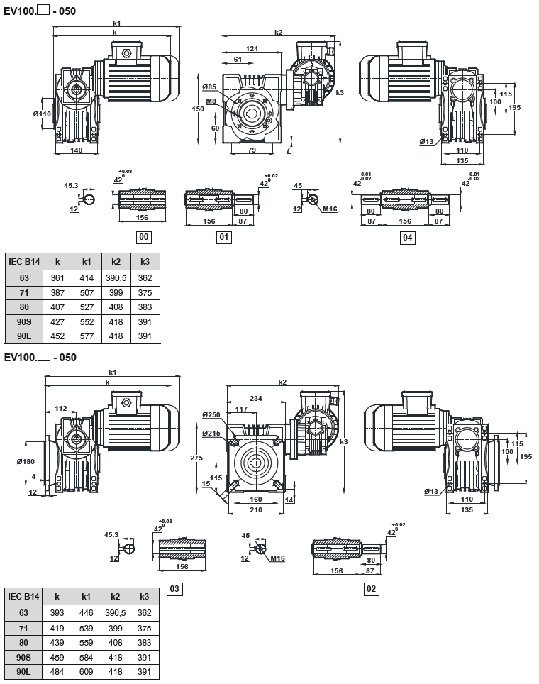
Червячный мотор-редуктор EN100-EV050

 

Назад

Червячный мотор-редуктор EN100-EV050

Назад

 
© 2014 Редукторы, мотор-редукторы, устройства плавного пуска, преобразователи частоты