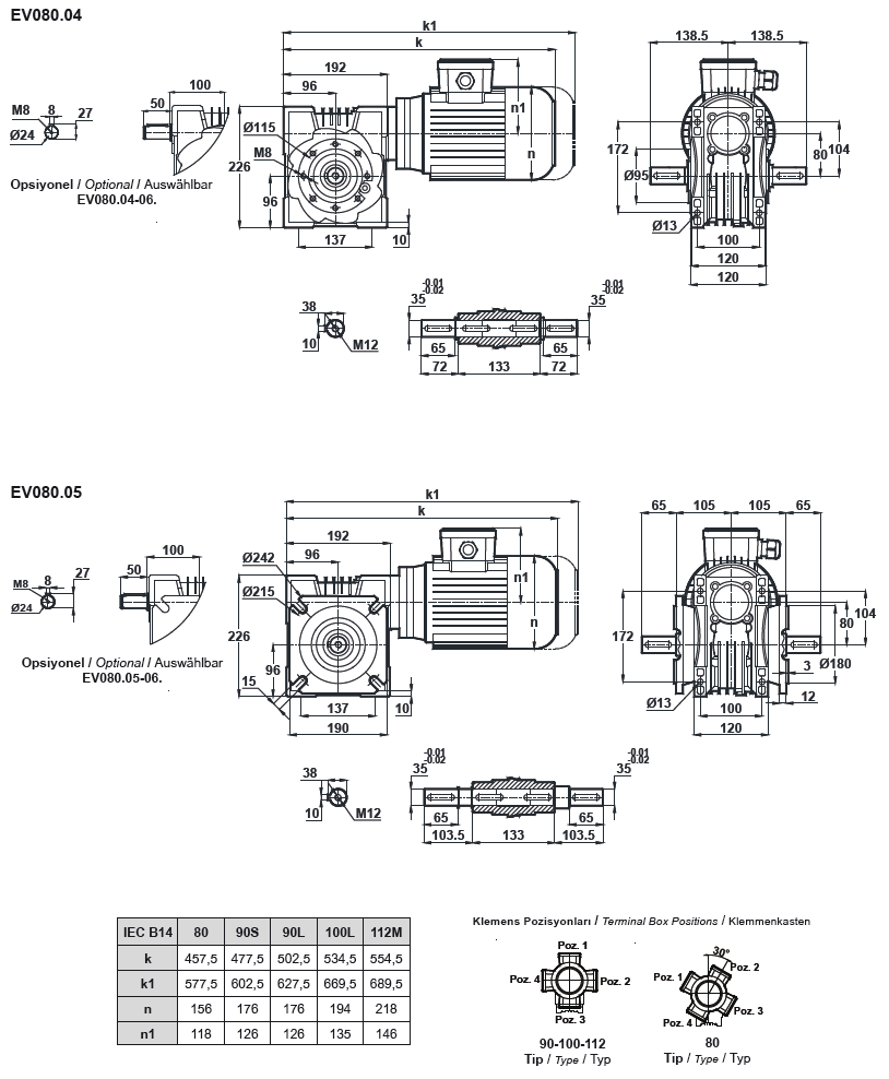
Червячный мотор-редуктор EV080 (EN080)

 

Назад

Червячный мотор-редуктор EV080 (EN080)

Тут вы можете выбрать недорогой и качественный аналог - червячный мотор-редуктор NMRV 090

Назад

 
© 2014 Редукторы, мотор-редукторы, устройства плавного пуска, преобразователи частоты