|
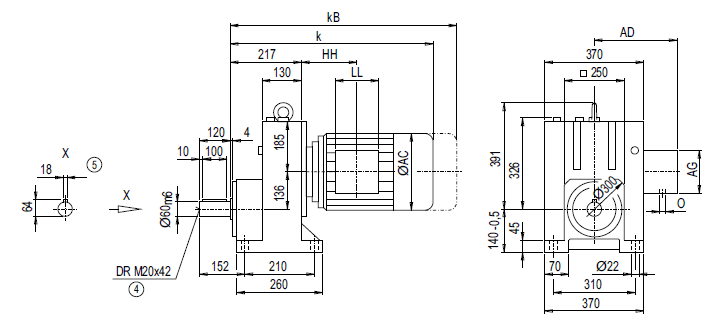
Монтажное исполнение на лапах E128

| Мотор |
E128
k |
kB |
AC |
AD |
AG |
LL |
HH |
O |
Вес
E128 |
LA100L |
539.0 |
620.0 |
195.0 |
168.0 |
120 |
120 |
104.0 |
2xM32x1.5 |
121 |
LA100ZL |
609.0 |
690.0 |
195.0 |
168.0 |
120 |
120 |
236.0 |
2xM32x1.5 |
131 |
LA112M |
564.5 |
645.5 |
219.0 |
181.0 |
120 |
120 |
105.5 |
2xM32x1.5 |
132 |
LA112ZM |
592.5 |
673.5 |
219.0 |
181.0 |
120 |
120 |
209.5 |
2xM32x1.5 |
139 |
LA132S/M |
623.5 |
725.5 |
259.0 |
195.0 |
140 |
140 |
145.0 |
2xM32x1.5 |
142 |
LA132ZM |
669.5 |
771.5 |
259.0 |
195.0 |
140 |
140 |
253.0 |
2xM32x1.5 |
163 |
LA160M/L |
723.0 |
841.5 |
313.5 |
227.0 |
165 |
165 |
167.5 |
2xM40x1.5 |
181 |
LA160ZL |
771.0 |
889.5 |
313.5 |
227.0 |
165 |
165 |
320.5 |
2xM40x1.5 |
220 |
LG180M/L |
782.5 |
904.5 |
348.0 |
322.5 |
260 |
192 |
184.5 |
2xM40x1.5 |
272 |
LG180ZM/ZL |
833.5 |
955.5 |
348.0 |
322.5 |
260 |
192 |
184.5 |
2xM40x1.5 |
302 |
LG200L |
838.5 |
964.5 |
385.0 |
301.0 |
260 |
192 |
214.5 |
2xM50x1.5 |
352 |
LG225S |
909.5 |
1 148.5 |
442.0 |
325.0 |
260 |
192 |
250.5 |
2xM50x1.5 |
428 |
LG225M |
909.5 |
1 148.5 |
442.0 |
325.0 |
260 |
192 |
250.5 |
2xM50x1.5 |
416 |
LG225ZM |
969.5 |
1 208.5 |
442.0 |
325.0 |
260 |
192 |
250.5 |
2xM50x1.5 |
474 |
K4-LGI250M |
1 197.0 |
1 422.0 |
495.0 |
392.0 |
300 |
236 |
470.0 |
2xM63x1.5 |
596 |
K4-LGI250ZM |
1 267.0 |
1 492.0 |
495.0 |
392.0 |
300 |
236 |
470.0 |
2xM63x1.5 |
699 |
Также у нас вы можете приобрести планетарные мотор-редукторы серии 3МП российского производства. Технические характеристики и размеры можно найти на сайте.
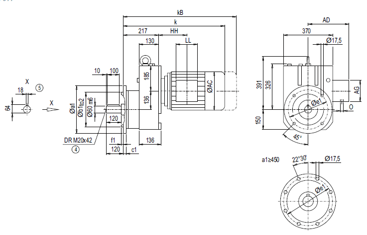
Монтажное исполнение на фланце EF128 (тип A)

| Фланец |
a1 |
b1 |
to2 |
c1 |
e1 |
f1 |
s1 |
A350 |
350 |
250 |
h6 |
18 |
300 |
5 |
17.5 |
A450 |
450 |
350 |
h6 |
20 |
400 |
5 |
17.5 |
| Мотор |
EF128
k |
kB |
AC |
AD |
AG |
LL |
HH |
O |
Вес
EF128 |
LA100L |
539.0 |
620.0 |
195.0 |
168.0 |
120 |
120 |
104.0 |
2xM32x1.5 |
125 |
LA100ZL |
609.0 |
690.0 |
195.0 |
168.0 |
120 |
120 |
236.0 |
2xM32x1.5 |
135 |
LA112M |
564.5 |
645.5 |
219.0 |
181.0 |
120 |
120 |
105.5 |
2xM32x1.5 |
137 |
LA112ZM |
592.5 |
673.5 |
219.0 |
181.0 |
120 |
120 |
209.5 |
2xM32x1.5 |
144 |
LA132S/M |
623.5 |
725.5 |
259.0 |
195.0 |
140 |
140 |
145.0 |
2xM32x1.5 |
146 |
LA132ZM |
669.5 |
771.5 |
259.0 |
195.0 |
140 |
140 |
253.0 |
2xM32x1.5 |
167 |
LA160M/L |
723.0 |
841.5 |
313.5 |
227.0 |
165 |
165 |
167.5 |
2xM40x1.5 |
185 |
LA160ZL |
771.0 |
889.5 |
313.5 |
227.0 |
165 |
165 |
320.5 |
2xM40x1.5 |
224 |
LG180M/L |
782.5 |
904.5 |
348.0 |
322.5 |
260 |
192 |
184.5 |
2xM40x1.5 |
276 |
LG180ZM/ZL |
833.5 |
955.5 |
348.0 |
322.5 |
260 |
192 |
184.5 |
2xM40x1.5 |
306 |
LG200L |
838.5 |
964.5 |
385.0 |
301.0 |
260 |
192 |
214.5 |
2xM50x1.5 |
356 |
LG225S |
909.5 |
1 148.5 |
442.0 |
325.0 |
260 |
192 |
250.5 |
2xM50x1.5 |
432 |
LG225M |
909.5 |
1 148.5 |
442.0 |
325.0 |
260 |
192 |
250.5 |
2xM50x1.5 |
420 |
LG225ZM |
969.5 |
1 208.5 |
442.0 |
325.0 |
260 |
192 |
250.5 |
2xM50x1.5 |
478 |
K4-LGI250M |
1 197.0 |
1 422.0 |
495.0 |
392.0 |
300 |
236 |
470.0 |
2xM63x1.5 |
600 |
K4-LGI250ZM |
1 267.0 |
1 492.0 |
495.0 |
392.0 |
300 |
236 |
470.0 |
2xM63x1.5 |
703 |
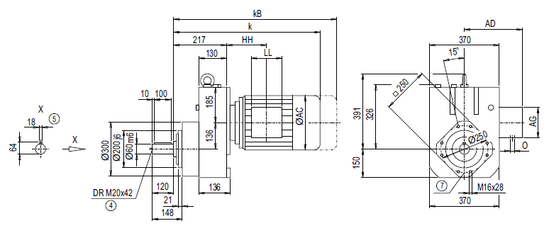
Монтажное исполнение с фланцевым корпусом (тип C) EZ128

| Мотор |
EZ128
k |
kB |
AC |
AD |
AG |
LL |
HH |
O |
Вес
EZ128 |
LA100L |
539.0 |
620.0 |
195.0 |
168.0 |
120 |
120 |
104.0 |
2xM32x1.5 |
108 |
LA100ZL |
609.0 |
690.0 |
195.0 |
168.0 |
120 |
120 |
236.0 |
2xM32x1.5 |
118 |
LA112M |
564.5 |
645.5 |
219.0 |
181.0 |
120 |
120 |
105.5 |
2xM32x1.5 |
119 |
LA112ZM |
592.5 |
673.5 |
219.0 |
181.0 |
120 |
120 |
209.5 |
2xM32x1.5 |
126 |
LA132S/M |
623.5 |
725.5 |
259.0 |
195.0 |
140 |
140 |
145.0 |
2xM32x1.5 |
129 |
LA132ZM |
669.5 |
771.5 |
259.0 |
195.0 |
140 |
140 |
253.0 |
2xM32x1.5 |
150 |
LA160M/L |
723.0 |
841.5 |
313.5 |
227.0 |
165 |
165 |
167.5 |
2xM40x1.5 |
168 |
LA160ZL |
771.0 |
889.5 |
313.5 |
227.0 |
165 |
165 |
320.5 |
2xM40x1.5 |
207 |
LG180M/L |
782.5 |
904.5 |
348.0 |
322.5 |
260 |
192 |
184.5 |
2xM40x1.5 |
259 |
LG180ZM/ZL |
833.5 |
955.5 |
348.0 |
322.5 |
260 |
192 |
184.5 |
2xM40x1.5 |
289 |
LG200L |
838.5 |
964.5 |
385.0 |
301.0 |
260 |
192 |
214.5 |
2xM50x1.5 |
339 |
LG225S |
909.5 |
1 148.5 |
442.0 |
325.0 |
260 |
192 |
250.5 |
2xM50x1.5 |
415 |
LG225M |
909.5 |
1 148.5 |
442.0 |
325.0 |
260 |
192 |
250.5 |
2xM50x1.5 |
403 |
LG225ZM |
969.5 |
1 208.5 |
442.0 |
325.0 |
260 |
192 |
250.5 |
2xM50x1.5 |
461 |
K4-LGI250M |
1 197.0 |
1 422.0 |
495.0 |
392.0 |
300 |
236 |
470.0 |
2xM63x1.5 |
583 |
K4-LGI250ZM |
1 267.0 |
1 492.0 |
495.0 |
392.0 |
300 |
236 |
470.0 |
2xM63x1.5 |
686 |
|