|
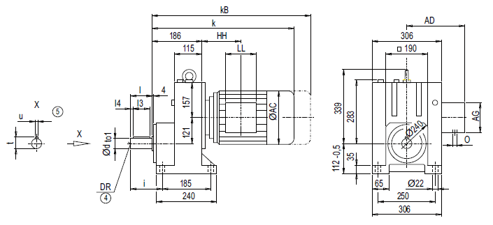
Монтажное исполнение на лапах E108

Двухступенчатый цилиндрический мотор-редуктор R является отличной альтернативой редукторов Motox E108 Flender
| d |
to1 |
l |
l4 |
l3 |
t |
u |
i |
DR |
50 *) |
k6 |
100 |
10 |
80 |
53.5 |
14 |
140 |
M16x36 |
55 |
k6 |
110 |
5 |
100 |
59.0 |
16 |
150 |
M20x42 |
| Мотор |
E108
k |
kB |
AC |
AD |
AG |
LL |
HH |
O |
Вес
E108 |
LA90S/L |
474.5 |
545.5 |
174.0 |
163.0 |
90 |
90 |
76.0 |
M20x1.5/M25x1.5 |
74 |
LA90ZL |
519.5 |
590.5 |
174.0 |
163.0 |
90 |
90 |
200.0 |
M20x1.5/M25x1.5 |
80 |
LA100L |
517.5 |
598.5 |
195.0 |
168.0 |
120 |
120 |
113.5 |
2xM32x1.5 |
82 |
LA100ZL |
587.5 |
668.5 |
195.0 |
168.0 |
120 |
120 |
245.5 |
2xM32x1.5 |
92 |
LA112M |
544.0 |
625.0 |
219.0 |
181.0 |
120 |
120 |
116.0 |
2xM32x1.5 |
94 |
LA112ZM |
572.0 |
653.0 |
219.0 |
181.0 |
120 |
120 |
220.0 |
2xM32x1.5 |
101 |
LA132S/M |
603.0 |
705.0 |
259.0 |
195.0 |
140 |
140 |
155.5 |
2xM32x1.5 |
105 |
LA132ZM |
649.0 |
751.0 |
259.0 |
195.0 |
140 |
140 |
263.5 |
2xM32x1.5 |
126 |
LA160M/L |
708.5 |
827.0 |
313.5 |
227.0 |
165 |
165 |
184.0 |
2xM40x1.5 |
139 |
LA160ZL |
756.5 |
875.0 |
313.5 |
227.0 |
165 |
165 |
337.0 |
2xM40x1.5 |
178 |
LG180M/L |
765.0 |
887.0 |
348.0 |
322.5 |
260 |
192 |
198.0 |
2xM40x1.5 |
236 |
LG180ZM/ZL |
816.0 |
938.0 |
348.0 |
322.5 |
260 |
192 |
198.0 |
2xM40x1.5 |
266 |
LG200L |
821.0 |
947.0 |
385.0 |
301.0 |
260 |
192 |
228.0 |
2xM50x1.5 |
316 |
K4-LGI225S |
1 082.0 |
1 321.0 |
442.0 |
325.0 |
260 |
192 |
443.0 |
2xM50x1.5 |
472 |
K4-LGI225M |
1 082.0 |
1 321.0 |
442.0 |
325.0 |
260 |
192 |
443.0 |
2xM50x1.5 |
460 |
K4-LGI225ZM |
1 142.0 |
1 381.0 |
442.0 |
325.0 |
260 |
192 |
443.0 |
2xM50x1.5 |
518 |
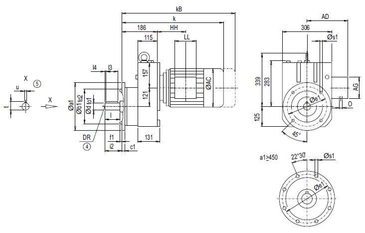
Монтажное исполнение на фланце EF108 (тип A)

| Фланец |
a1 |
b1 |
to2 |
c1 |
e1 |
f1 |
s1 |
d |
to1 |
l |
l4 |
l3 |
t |
u |
i2 |
DR |
A300 |
300 |
230 |
j6 |
16 |
265 |
4 |
13.5 |
50*) |
k6 |
100 |
10 |
80 |
53.5 |
14 |
100 |
M16x36 |
55 |
k6 |
110 |
5 |
100 |
59.0 |
16 |
110 |
M20x42 |
A350 |
350 |
250 |
h6 |
18 |
300 |
5 |
17.5 |
50*) |
k6 |
100 |
10 |
80 |
53.5 |
14 |
100 |
M16x36 |
55 |
k6 |
110 |
5 |
100 |
59.0 |
16 |
110 |
M20x42 |
A450 |
450 |
350 |
h6 |
22 |
400 |
5 |
17.5 |
50*) |
k6 |
100 |
10 |
80 |
53.5 |
14 |
100 |
M16x36 |
55 |
k6 |
110 |
5 |
100 |
59.0 |
16 |
110 |
M20x42 |
| Мотор |
EF108
k |
kB |
AC |
AD |
AG |
LL |
HH |
O |
Вес
EF108 |
LA90S/L |
474.5 |
545.5 |
174.0 |
163.0 |
90 |
90 |
76.0 |
M20x1.5/M25x1.5 |
84 |
LA90ZL |
519.5 |
590.5 |
174.0 |
163.0 |
90 |
90 |
200.0 |
M20x1.5/M25x1.5 |
90 |
LA100L |
517.5 |
598.5 |
195.0 |
168.0 |
120 |
120 |
113.5 |
2xM32x1.5 |
92 |
LA100ZL |
587.5 |
668.5 |
195.0 |
168.0 |
120 |
120 |
245.5 |
2xM32x1.5 |
102 |
LA112M |
544.0 |
625.0 |
219.0 |
181.0 |
120 |
120 |
116.0 |
2xM32x1.5 |
104 |
LA112ZM |
572.0 |
653.0 |
219.0 |
181.0 |
120 |
120 |
220.0 |
2xM32x1.5 |
111 |
LA132S/M |
603.0 |
705.0 |
259.0 |
195.0 |
140 |
140 |
155.5 |
2xM32x1.5 |
114 |
LA132ZM |
649.0 |
751.0 |
259.0 |
195.0 |
140 |
140 |
263.5 |
2xM32x1.5 |
135 |
LA160M/L |
708.5 |
827.0 |
313.5 |
227.0 |
165 |
165 |
184.0 |
2xM40x1.5 |
149 |
LA160ZL |
756.5 |
875.0 |
313.5 |
227.0 |
165 |
165 |
337.0 |
2xM40x1.5 |
188 |
LG180M/L |
765.0 |
887.0 |
348.0 |
322.5 |
260 |
192 |
198.0 |
2xM40x1.5 |
245 |
LG180ZM/ZL |
816.0 |
938.0 |
348.0 |
322.5 |
260 |
192 |
198.0 |
2xM40x1.5 |
275 |
LG200L |
821.0 |
947.0 |
385.0 |
301.0 |
260 |
192 |
228.0 |
2xM50x1.5 |
325 |
K4-LGI225S |
1 082.0 |
1 321.0 |
442.0 |
325.0 |
260 |
192 |
443.0 |
2xM50x1.5 |
481 |
K4-LGI225M |
1 082.0 |
1 321.0 |
442.0 |
325.0 |
260 |
192 |
443.0 |
2xM50x1.5 |
469 |
K4-LGI225ZM |
1 142.0 |
1 381.0 |
442.0 |
325.0 |
260 |
192 |
443.0 |
2xM50x1.5 |
527 |
Монтажное исполнение с фланцевым корпусом (тип C) EZ108

| d |
to1 |
l |
l4 |
l3 |
t |
u |
i |
DR |
50 *) |
k6 |
100 |
10 |
80 |
53.5 |
14 |
122 |
M16x36 |
55 |
k6 |
110 |
5 |
100 |
59.0 |
16 |
132 |
M20x42 |
| Мотор |
EZ108
k |
kB |
AC |
AD |
AG |
LL |
HH |
O |
Вес
EZ108 |
LA90S/L |
474.5 |
545.5 |
174.0 |
163.0 |
90 |
90 |
76.0 |
M20x1.5/M25x1.5 |
67 |
LA90ZL |
519.5 |
590.5 |
174.0 |
163.0 |
90 |
90 |
200.0 |
M20x1.5/M25x1.5 |
73 |
LA100L |
517.5 |
598.5 |
195.0 |
168.0 |
120 |
120 |
113.5 |
2xM32x1.5 |
75 |
LA100ZL |
587.5 |
668.5 |
195.0 |
168.0 |
120 |
120 |
245.5 |
2xM32x1.5 |
85 |
LA112M |
544.0 |
625.0 |
219.0 |
181.0 |
120 |
120 |
116.0 |
2xM32x1.5 |
87 |
LA112ZM |
572.0 |
653.0 |
219.0 |
181.0 |
120 |
120 |
220.0 |
2xM32x1.5 |
94 |
LA132S/M |
603.0 |
705.0 |
259.0 |
195.0 |
140 |
140 |
155.5 |
2xM32x1.5 |
98 |
LA132ZM |
649.0 |
751.0 |
259.0 |
195.0 |
140 |
140 |
263.5 |
2xM32x1.5 |
119 |
LA160M/L |
708.5 |
827.0 |
313.5 |
227.0 |
165 |
165 |
184.0 |
2xM40x1.5 |
132 |
LA160ZL |
756.5 |
875.0 |
313.5 |
227.0 |
165 |
165 |
337.0 |
2xM40x1.5 |
171 |
LG180M/L |
765.0 |
887.0 |
348.0 |
322.5 |
260 |
192 |
198.0 |
2xM40x1.5 |
229 |
LG180ZM/ZL |
816.0 |
938.0 |
348.0 |
322.5 |
260 |
192 |
198.0 |
2xM40x1.5 |
259 |
LG200L |
821.0 |
947.0 |
385.0 |
301.0 |
260 |
192 |
228.0 |
2xM50x1.5 |
309 |
K4-LGI225S |
1 082.0 |
1 321.0 |
442.0 |
325.0 |
260 |
192 |
443.0 |
2xM50x1.5 |
465 |
K4-LGI225M |
1 082.0 |
1 321.0 |
442.0 |
325.0 |
260 |
192 |
443.0 |
2xM50x1.5 |
453 |
K4-LGI225ZM |
1 142.0 |
1 381.0 |
442.0 |
325.0 |
260 |
192 |
443.0 |
2xM50x1.5 |
511 |
|