|
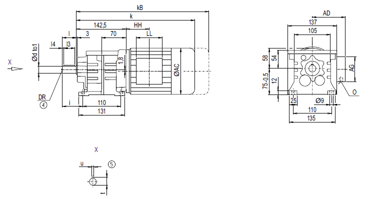
Монтажное исполнение на лапах D18, Z18

| d |
to1 |
l |
l4 |
l3 |
t |
u |
i |
DR |
16 |
k6 |
28 |
3 |
22 |
18 |
5 |
46 |
M6x16 |
20*) |
k6 |
40 |
4 |
32 |
22.5 |
6 |
58 |
M6x16 |
| Мотор |
Z18
k |
kB |
D18
k |
kB |
AC |
AD |
AG |
LL |
HH |
O |
Вес
Z18 |
D18 |
LA71 |
327 |
382 |
327 |
382 |
139 |
146 |
90 |
90 |
40.5 |
M20x1.5/M25x1.5 |
8 |
8 |
LA71Z |
346 |
401 |
346 |
401 |
139 |
146 |
90 |
90 |
40.5 |
M20x1.5/M25x1.5 |
8 |
8 |
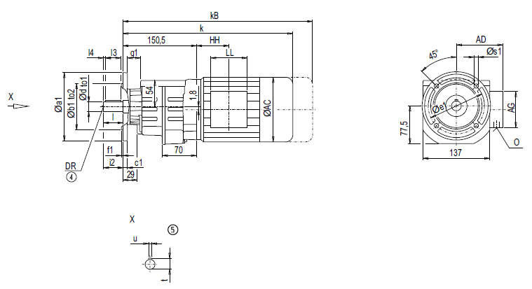
Монтажное исполнение на фланце DF/ZF18 (тип A)

| Фланец |
a1 |
b1 |
to2 |
c1 |
e1 |
f1 |
q1 |
s1 |
d |
to1 |
l |
l4 |
l3 |
t |
u |
i2 |
DR |
A120 |
120 |
80 |
j6 |
8 |
100 |
3.0 |
28 |
6.6 |
16 |
k6 |
28 |
3 |
22 |
18 |
5 |
28 |
M6x16 |
20*) |
k6 |
40 |
4 |
32 |
22.5 |
6 |
40 |
M6x16 |
A140 |
140 |
95 |
j6 |
9 |
115 |
3.0 |
27 |
9.0 |
16 |
k6 |
28 |
3 |
22 |
18 |
5 |
28 |
M6x16 |
20*) |
k6 |
40 |
4 |
32 |
22.5 |
6 |
40 |
M6x16 |
A160 |
160 |
110 |
j6 |
9 |
130 |
3.5 |
27 |
9.0 |
16 |
k6 |
28 |
3 |
22 |
18 |
5 |
28 |
M6x16 |
20*) |
k6 |
40 |
4 |
32 |
22.5 |
6 |
40 |
M6x16 |
| Мотор |
ZF18
k |
kB |
DF18
k |
kB |
AC |
AD |
AG |
LL |
HH |
O |
Вес
ZF18 |
DF18 |
LA71 |
335 |
390 |
335 |
390 |
139 |
146 |
90 |
90 |
40.5 |
M20x1.5/M25x1.5 |
8 |
9 |
LA71Z |
354 |
409 |
354 |
409 |
139 |
146 |
90 |
90 |
40.5 |
M20x1.5/M25x1.5 |
8 |
9 |
|