|
Монтажное исполнение на лапах D128, Z128

| d |
to1 |
l |
l4 |
l3 |
t |
u |
i |
DR |
70 *) |
m6 |
140 |
15 |
110 |
74.5 |
20 |
186 |
M20x42 |
90 |
m6 |
170 |
15 |
140 |
95.0 |
25 |
216 |
M24x50 |
| Мотор |
Z128
k |
kB |
D128
k |
kB |
AC |
AD |
AG |
LL |
Z128
HH |
D128
HH |
O |
Вес
Z128 D128 |
LA90S/L |
– |
– |
686.0 |
757.0 |
174.0 |
163.0 |
90 |
90 |
– |
99.5 |
M20x1.5/M25x1.5 |
– |
212 |
LA90ZL |
– |
– |
731.0 |
802.0 |
174.0 |
163.0 |
90 |
90 |
– |
223.5 |
M20x1.5/M25x1.5 |
– |
218 |
LA100L |
696.0 |
777.0 |
732.0 |
813.0 |
195.0 |
168.0 |
120 |
120 |
104.0 |
140.0 |
2xM32x1.5 |
214 |
221 |
LA100ZL |
766.0 |
847.0 |
802.0 |
883.0 |
195.0 |
168.0 |
120 |
120 |
236.0 |
272.0 |
2xM32x1.5 |
224 |
231 |
LA112M |
721.5 |
802.5 |
755.5 |
836.5 |
219.0 |
181.0 |
120 |
120 |
105.5 |
139.5 |
2xM32x1.5 |
226 |
233 |
LA112ZM |
749.5 |
830.5 |
783.5 |
864.5 |
219.0 |
181.0 |
120 |
120 |
209.5 |
243.5 |
2xM32x1.5 |
233 |
240 |
LA132S/M |
780.5 |
882.5 |
814.5 |
916.5 |
259.0 |
195.0 |
140 |
140 |
145.0 |
179.0 |
2xM32x1.5 |
235 |
246 |
LA132ZM |
826.5 |
928.5 |
860.5 |
962.5 |
259.0 |
195.0 |
140 |
140 |
253.0 |
287.0 |
2xM32x1.5 |
256 |
267 |
LA160M/L |
880.0 |
998.5 |
917.0 |
1 035.5 |
313.5 |
227.0 |
165 |
165 |
167.5 |
204.5 |
2xM40x1.5 |
274 |
282 |
LA160ZL |
928.0 |
1 046.5 |
965.0 |
1 083.5 |
313.5 |
227.0 |
165 |
165 |
320.5 |
357.5 |
2xM40x1.5 |
313 |
321 |
LG180M/L |
939.5 |
1 061.5 |
976.5 |
1 098.5 |
348.0 |
322.5 |
260 |
192 |
184.5 |
221.5 |
2xM40x1.5 |
365 |
378 |
LG180ZM/ZL |
990.5 |
1 112.5 |
1 027.5 |
1 149.5 |
348.0 |
322.5 |
260 |
192 |
184.5 |
221.5 |
2xM40x1.5 |
395 |
408 |
LG200L |
995.5 |
1 121.5 |
1 032.5 |
1 158.5 |
385.0 |
301.0 |
260 |
192 |
214.5 |
251.5 |
2xM50x1.5 |
445 |
458 |
LG225S |
1 066.5 |
1 305.5 |
– |
– |
442.0 |
325.0 |
260 |
192 |
250.5 |
– |
2xM50x1.5 |
522 |
– |
LG225M |
1 066.5 |
1 305.5 |
– |
– |
442.0 |
325.0 |
260 |
192 |
250.5 |
– |
2xM50x1.5 |
510 |
– |
LG225ZM |
1 126.5 |
1 365.5 |
– |
– |
442.0 |
325.0 |
260 |
192 |
250.5 |
– |
2xM50x1.5 |
568 |
– |
K4-LGI250M |
1 353.5 |
1 578.5 |
– |
– |
495.0 |
392.0 |
300 |
236 |
469.5 |
– |
2xM63x1.5 |
689 |
– |
K4-LGI250ZM |
1 423.5 |
1 648.5 |
– |
– |
495.0 |
392.0 |
300 |
236 |
469.5 |
– |
2xM63x1.5 |
792 |
– |
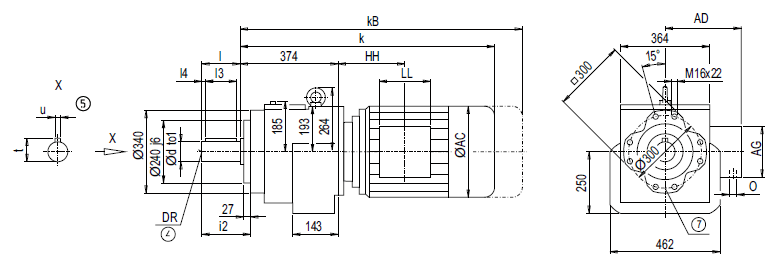
Монтажное исполнение на фланце DF/ZF128 (тип A)

| Фланец |
a1 |
b1 |
to2 |
c1 |
e1 |
f1 |
q1 |
s1 |
d |
to1 |
l |
l4 |
l3 |
t |
u |
i2 |
DR |
A350 1) |
350 |
250 |
h6 |
18 |
300 |
5 |
60 |
17.5 |
70 *) |
m6 |
140 |
15 |
110 |
74.5 |
20 |
140 |
M20x42 |
90 |
m6 |
170 |
15 |
140 |
95.0 |
25 |
170 |
M24x50 |
A450 |
450 |
350 |
h6 |
22 |
400 |
5 |
56 |
17.5 |
70 *) |
m6 |
140 |
15 |
110 |
74.5 |
20 |
140 |
M20x42 |
90 |
m6 |
170 |
15 |
140 |
95.0 |
25 |
170 |
M24x50 |
A550 |
550 |
450 |
h6 |
22 |
500 |
5 |
56 |
17.5 |
70 *) |
m6 |
140 |
15 |
110 |
74.5 |
20 |
140 |
M20x42 |
90 |
m6 |
170 |
15 |
140 |
95.0 |
25 |
170 |
M24x50 |
| Мотор |
ZF128
k |
kB |
DF128
k |
kB |
AC |
AD |
AG |
LL |
ZF128
HH |
DF128
HH |
O |
Вес
ZF128 DF128 |
LA90S/L |
– |
– |
686.0 |
757.0 |
174.0 |
163.0 |
90 |
90 |
– |
99.5 |
M20x1.5/M25x1.5 |
– |
206 |
LA90ZL |
– |
– |
731.0 |
802.0 |
174.0 |
163.0 |
90 |
90 |
– |
223.5 |
M20x1.5/M25x1.5 |
– |
212 |
LA100L |
696.0 |
777.0 |
732.0 |
813.0 |
195.0 |
168.0 |
120 |
120 |
104.0 |
140.0 |
2xM32x1.5 |
209 |
216 |
LA100ZL |
766.0 |
847.0 |
802.0 |
883.0 |
195.0 |
168.0 |
120 |
120 |
236.0 |
272.0 |
2xM32x1.5 |
219 |
226 |
LA112M |
721.5 |
802.5 |
755.5 |
836.5 |
219.0 |
181.0 |
120 |
120 |
105.5 |
139.5 |
2xM32x1.5 |
220 |
227 |
LA112ZM |
749.5 |
830.5 |
783.5 |
864.5 |
219.0 |
181.0 |
120 |
120 |
209.5 |
243.5 |
2xM32x1.5 |
227 |
234 |
LA132S/M |
780.5 |
882.5 |
814.5 |
916.5 |
259.0 |
195.0 |
140 |
140 |
145.0 |
179.0 |
2xM32x1.5 |
230 |
240 |
LA132ZM |
826.5 |
928.5 |
860.5 |
962.5 |
259.0 |
195.0 |
140 |
140 |
253.0 |
287.0 |
2xM32x1.5 |
251 |
261 |
LA160M/L |
880.0 |
998.5 |
917.0 |
1 035.5 |
313.5 |
227.0 |
165 |
165 |
167.5 |
204.5 |
2xM40x1.5 |
269 |
276 |
LA160ZL |
928.0 |
1 046.5 |
965.0 |
1 083.5 |
313.5 |
227.0 |
165 |
165 |
320.5 |
357.5 |
2xM40x1.5 |
308 |
315 |
LG180M/L |
939.5 |
1 061.5 |
976.5 |
1 098.5 |
348.0 |
322.5 |
260 |
192 |
184.5 |
221.5 |
2xM40x1.5 |
360 |
372 |
LG180ZM/ZL |
990.5 |
1 112.5 |
1 027.5 |
1 149.5 |
348.0 |
322.5 |
260 |
192 |
184.5 |
221.5 |
2xM40x1.5 |
390 |
402 |
LG200L |
995.5 |
1 121.5 |
1 032.5 |
1 158.5 |
385.0 |
301.0 |
260 |
192 |
214.5 |
251.5 |
2xM50x1.5 |
440 |
452 |
LG225S |
1 066.5 |
1 305.5 |
– |
– |
442.0 |
325.0 |
260 |
192 |
250.5 |
– |
2xM50x1.5 |
517 |
– |
LG225M |
1 066.5 |
1 305.5 |
– |
– |
442.0 |
325.0 |
260 |
192 |
250.5 |
– |
2xM50x1.5 |
505 |
– |
LG225ZM |
1 126.5 |
1 365.5 |
– |
– |
442.0 |
325.0 |
260 |
192 |
250.5 |
– |
2xM50x1.5 |
563 |
– |
K4-LGI250M |
1 353.5 |
1 578.5 |
– |
– |
495.0 |
392.0 |
300 |
236 |
469.5 |
– |
2xM63x1.5 |
684 |
– |
K4-LGI250ZM |
1 423.5 |
1 648.5 |
– |
– |
495.0 |
392.0 |
300 |
236 |
469.5 |
– |
2xM63x1.5 |
787 |
– |
Монтажное исполнение на фланце DZ/ZZ128 (тип С)

| d |
to1 |
l |
l4 |
l3 |
t |
u |
i2 |
DR |
70 *) |
m6 |
140 |
15 |
110 |
74.5 |
20 |
173 |
M20x42 |
90 |
m6 |
170 |
15 |
140 |
95.0 |
25 |
203 |
M24x50 |
| Мотор |
ZZ128
k |
kB |
DZ128
k |
kB |
AC |
AD |
AG |
LL |
ZZ128
HH |
DZ128
HH |
O |
Вес
ZZ128 DZ128 |
LA90S/L |
– |
– |
686.0 |
757.0 |
174.0 |
163.0 |
90 |
90 |
– |
99.5 |
M20x1.5/M25x1.5 |
– |
190 |
LA90ZL |
– |
– |
731.0 |
802.0 |
174.0 |
163.0 |
90 |
90 |
– |
223.5 |
M20x1.5/M25x1.5 |
– |
196 |
LA100L |
696.0 |
777.0 |
732.0 |
813.0 |
195.0 |
168.0 |
120 |
120 |
104.0 |
140.0 |
2xM32x1.5 |
192 |
199 |
LA100ZL |
766.0 |
847.0 |
802.0 |
883.0 |
195.0 |
168.0 |
120 |
120 |
236.0 |
272.0 |
2xM32x1.5 |
202 |
209 |
LA112M |
721.5 |
802.5 |
755.5 |
836.5 |
219.0 |
181.0 |
120 |
120 |
105.5 |
139.5 |
2xM32x1.5 |
203 |
210 |
LA112ZM |
749.5 |
830.5 |
783.5 |
864.5 |
219.0 |
181.0 |
120 |
120 |
209.5 |
243.5 |
2xM32x1.5 |
210 |
217 |
LA132S/M |
780.5 |
882.5 |
814.5 |
916.5 |
259.0 |
195.0 |
140 |
140 |
145.0 |
179.0 |
2xM32x1.5 |
213 |
223 |
LA132ZM |
826.5 |
928.5 |
860.5 |
962.5 |
259.0 |
195.0 |
140 |
140 |
253.0 |
287.0 |
2xM32x1.5 |
234 |
245 |
LA160M/L |
880.0 |
998.5 |
917.0 |
1 035.5 |
313.5 |
227.0 |
165 |
165 |
167.5 |
204.5 |
2xM40x1.5 |
252 |
259 |
LA160ZL |
928.0 |
1 046.5 |
965.0 |
1 083.5 |
313.5 |
227.0 |
165 |
165 |
320.5 |
357.5 |
2xM40x1.5 |
291 |
298 |
LG180M/L |
939.5 |
1 061.5 |
976.5 |
1 098.5 |
348.0 |
322.5 |
260 |
192 |
184.5 |
221.5 |
2xM40x1.5 |
343 |
355 |
LG180ZM/ZL |
990.5 |
1 112.5 |
1 027.5 |
1 149.5 |
348.0 |
322.5 |
260 |
192 |
184.5 |
221.5 |
2xM40x1.5 |
373 |
385 |
LG200L |
995.5 |
1 121.5 |
1 032.5 |
1 158.5 |
385.0 |
301.0 |
260 |
192 |
214.5 |
251.5 |
2xM50x1.5 |
423 |
435 |
LG225S |
1 066.5 |
1 305.5 |
– |
– |
442.0 |
325.0 |
260 |
192 |
250.5 |
– |
2xM50x1.5 |
500 |
– |
LG225M |
1 066.5 |
1 305.5 |
– |
– |
442.0 |
325.0 |
260 |
192 |
250.5 |
– |
2xM50x1.5 |
488 |
– |
LG225ZM |
1 126.5 |
1 365.5 |
– |
– |
442.0 |
325.0 |
260 |
192 |
250.5 |
– |
2xM50x1.5 |
546 |
– |
K4-LGI250M |
1 353.5 |
1 578.5 |
– |
– |
495.0 |
392.0 |
300 |
236 |
469.5 |
– |
2xM63x1.5 |
667 |
– |
K4-LGI250ZM |
1 423.5 |
1 648.5 |
– |
– |
495.0 |
392.0 |
300 |
236 |
469.5 |
– |
2xM63x1.5 |
770 |
– |
|