|
Фланец со сквозными отверстиями

BK06 |
k |
l
|
m |
n |
o |
р |
q |
s |
t
|
z |
стандартный -37V/ |
120 |
100 |
80 |
8 |
6.6 |
115 |
67.5 |
3 |
50 |
-
|
специальный -37V/ |
120 |
100 |
80 |
8 |
6.6 |
115 |
67.5 |
3 |
50 |
4хМ6 |
Тип |
а |
b |
с |
d |
l
|
Исполнение с тормозом |
lв |
Е003 |
Е004 |
Е008 |
|
|
|
св |
dв |
св |
dв |
св |
dв |
|
|
|
|
|
|
BK06-../D04.. |
143 |
28 |
111 |
318 |
90 |
90 |
111 |
361 |
|
|
|
|
|
|
|
|
|
|
BK06-../D05.. |
170 |
30 |
123 |
348 |
100 |
100 |
123 |
390 |
|
|
|
|
|
|
|
|
|
|
BK06-../D06.. |
170 |
30 |
123 |
348 |
100 |
100 |
123 |
390 |
|
|
|
|
|
|
|
|
|
|
BK06-../D07.. |
190 |
30 |
123 |
368 |
100 |
100 |
123 |
410 |
123 |
410 |
|
|
|
|
|
|
|
|
BK06-../D08.. |
200 |
74 |
156 |
421 |
115 |
115 |
|
|
|
|
166 |
508 |
|
|
|
|
|
|
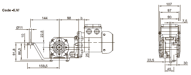
Исполнение с моментным рычагом

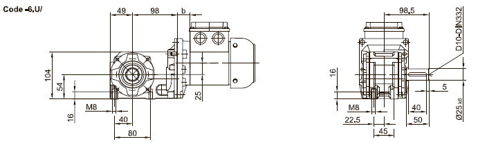
Фланец резьбовыми отверстиями впереди

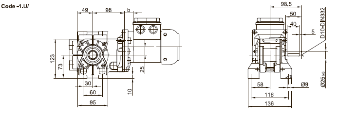
Лапы с резьбовыми отверстиями внизу

Лапы со сквозными отверстиями внизу

|