|
Вариант исполнения на лапах

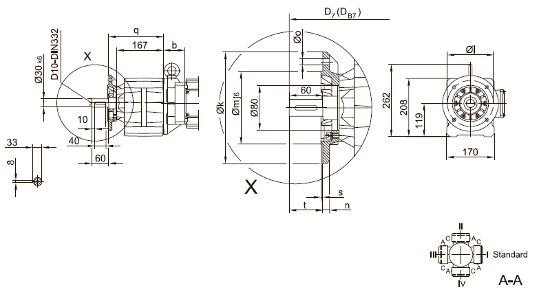
Фланец со сквозными отверстиями

BG30(Z) |
k |
i
|
m |
n |
о |
q |
s |
t |
D7 |
Dв7 |
стандартный - 37/ |
200 |
165 |
130 |
12 |
11 |
196 |
3.5 |
60 |
d+21 |
dв+21 |
малый -27/ |
160 |
130 |
110 |
10 |
9 |
189 |
3.5 |
67 |
d+21 |
d6 +21 |
Тип |
а |
b |
с |
d |
i
|
Исполнение с тормозом |
i в |
ЕОО3 |
ЕОО4 |
ЕОО8 |
Z008 |
Z015 |
ЕО75 |
св |
dв |
св |
dв |
св |
dв |
св |
dв |
св |
dв |
св |
dв |
BG30-../D05.. |
170 |
58 |
123 |
464 |
100 |
100 |
123 |
506 |
|
|
|
|
|
|
|
|
|
|
BG30Z-../D05.. |
170 |
133.5 |
123 |
539 |
100 |
100 |
123 |
581 |
|
|
|
|
|
|
|
|
|
|
BG30-../D06.. |
170 |
58 |
123 |
464 |
100 |
100 |
123 |
506 |
|
|
|
|
|
|
|
|
|
|
BG30Z-../D06.. |
170 |
133.5 |
123 |
539 |
100 |
100 |
123 |
581 |
|
|
|
|
|
|
|
|
|
|
BG30-../D07.. |
190 |
58 |
123 |
484 |
100 |
100 |
123 |
526 |
123 |
526 |
|
|
|
|
|
|
|
|
BG30Z-../D07.. |
190 |
133.5 |
123 |
559 |
100 |
100 |
123 |
601 |
123 |
601 |
|
|
|
|
|
|
|
|
BG30-../D08.. |
200 |
62 |
156 |
497 |
115 |
115 |
|
|
|
|
166 |
572 |
|
|
|
|
|
|
BG30Z-../D08.. |
200 |
137.5 |
156 |
572 |
115 |
115 |
|
|
|
|
166 |
646 |
|
|
|
|
|
|
BG30-../D09.. |
251 |
76.5 |
181 |
562 |
124 |
124 |
|
|
|
|
192 |
642 |
192 |
656 |
192 |
662 |
|
|
BG30Z-../D09.. |
251 |
152 |
181 |
638 |
124 |
124 |
|
|
|
|
192 |
717 |
192 |
731 |
192 |
737 |
|
|
BG30-../D11.. |
319 |
83 |
228 |
637 |
181 |
181 |
|
|
|
|
|
|
|
|
231 |
739.5 |
231 |
769.5 |
|