|
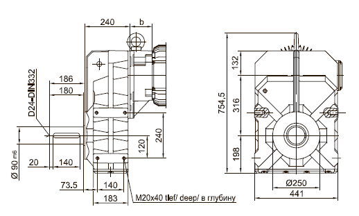
Вариант исполнения с литым моментным рычагом

Тип |
a |
b |
c |
d |
l
|
Исполнение с тормозом |
iв |
ЕОО8 |
Z008 |
Z015 |
ЕО75 |
Z075 |
Z100 |
Е500 |
св |
dв |
св |
dв |
св |
dв |
св |
dв |
св |
dв |
св |
dв |
св |
dв |
BF70Z-../D08.. |
200 |
202 |
156 |
648 |
115 |
115 |
166 |
723 |
|
|
|
|
|
|
|
|
|
|
|
|
BF70-../D09.. |
251 |
83.5 |
181 |
580 |
124 |
124 |
192 |
660 |
192 |
674 |
192 |
680 |
|
|
|
|
|
|
|
|
BF70Z-../D09.. |
251 |
216.5 |
181 |
713 |
124 |
124 |
192 |
793 |
192 |
807 |
192 |
813 |
|
|
|
|
|
|
|
|
BF70-../D11.. |
319 |
90 |
228 |
655 |
181 |
181 |
|
|
|
|
231 |
758 |
231 |
788 |
|
|
|
|
|
|
BF70Z-../D11.. |
319 |
223 |
228 |
788 |
181 |
181 |
|
|
|
|
231 |
891 |
231 |
921 |
|
|
|
|
|
|
BF70-../D13.. |
393 |
103 |
266 |
742 |
217 |
217 |
|
|
|
|
|
|
277 |
877 |
277 |
896 |
|
|
|
|
BF70Z-../D13.. |
393 |
236 |
266 |
875 |
217 |
217 |
|
|
|
|
|
|
277 |
1010 |
277 |
1029 |
|
|
|
|
BF70-../D16.. |
429 |
117 |
322 |
792 |
243 |
243 |
|
|
|
|
|
|
326 |
925 |
326 |
944 |
326 |
964 |
|
|
BF70Z-../D16.. |
429 |
250 |
322 |
925 |
243 |
243 |
|
|
|
|
|
|
326 |
1058 |
326 |
1077 |
326 |
1097 |
|
|
BF70-../D18.. |
528 |
139 |
368 |
913 |
288 |
288 |
|
|
|
|
|
|
|
|
|
|
366 |
1093 |
366 |
1074 |
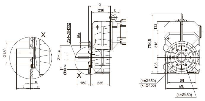
Фланец с резьбовыми отверстиями

Фланец со сквозными отверстиями

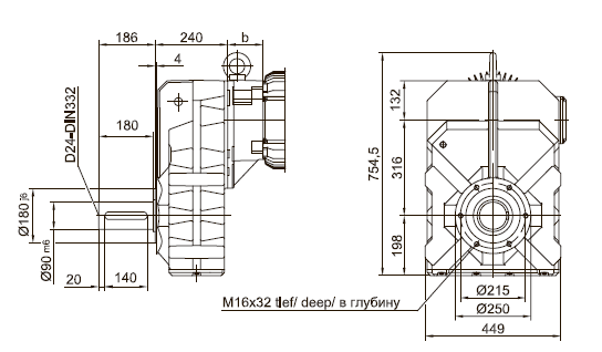
BF70(Z) |
k |
l
|
m |
n |
о |
q |
s |
t
|
стандартный -3./ |
400 |
350 |
300 |
20 |
4х17.5 |
271 |
5 |
155 |
малый -2./ |
350 |
300 |
250 |
20 |
4х17.5 |
271 |
5 |
155 |
большой -4./ |
450 |
400 |
350 |
22 |
8х17.5 |
281 |
5 |
145 |
Лапы с резьбовыми отверстиями слева и справа

|