|
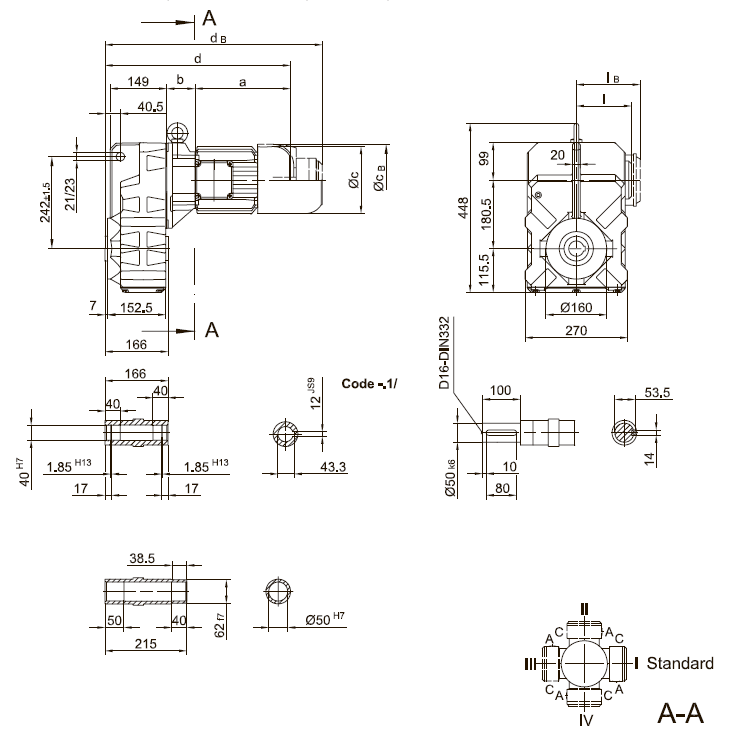
Вариант исполнения с литым моментным рычагом

Типы |
a |
b |
c |
d |
l
|
Исполнение с тормозом |
iв |
ЕОО3 |
ЕОО4 |
ЕОО8 |
2008 |
2015 |
ЕО75 |
св |
dв |
св |
dв |
св |
dв |
св |
dв |
св |
dв |
св |
dв |
BF40Z-../D05.. |
170 |
138.5 |
123 |
472 |
100 |
100 |
123 |
514 |
|
|
|
|
|
|
|
|
|
|
BF40Z-../D06.. |
170 |
138.5 |
123 |
472 |
100 |
100 |
123 |
514 |
|
|
|
|
|
|
|
|
|
|
BF40Z-../D07.. |
190 |
138.5 |
123 |
492 |
100 |
100 |
123 |
534 |
123 |
534 |
|
|
|
|
|
|
|
|
BF40-../D08.. |
200 |
60 |
156 |
422 |
115 |
115 |
|
|
|
|
166 |
497 |
|
|
|
|
|
|
BF40Z-../D08.. |
200 |
142.5 |
156 |
506 |
115 |
115 |
|
|
|
|
166 |
581 |
|
|
|
|
|
|
BF40-../D09.. |
251 |
74.5 |
181 |
489 |
124 |
124 |
|
|
|
|
192 |
568 |
192 |
582 |
192 |
588 |
|
|
BF40Z-../D09.. |
251 |
157 |
181 |
570 |
124 |
124 |
|
|
|
|
192 |
650 |
192 |
664 |
192 |
670 |
|
|
BF40-../D11.. |
319 |
81 |
228 |
563 |
181 |
181 |
|
|
|
|
|
|
|
|
231 |
665 |
231 |
695 |
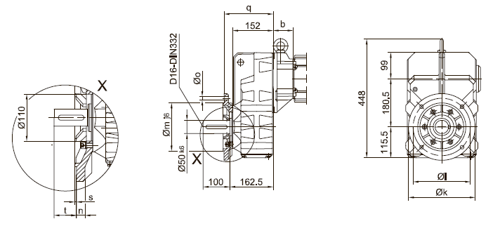
Фланец с резьбовыми отверстиями

Фланец со сквозными отверстиями

BF40(Z) |
k |
l |
m |
n |
o |
q |
s |
t |
стандартный -3./ |
250 |
215 |
180 |
16 |
13.5 |
184 |
4 |
78.5 |
большо -4./ |
300 |
265 |
230 |
20 |
13.5 |
190 |
4 |
72.5 |
Лапы с резьбовыми отверстиями слева и справа

|