
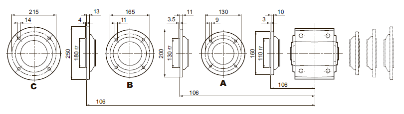
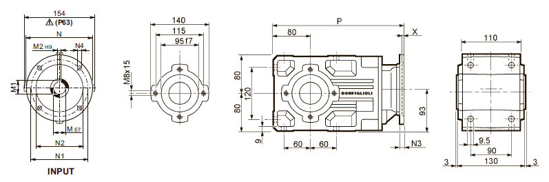
Габаритные и присоединительные размеры мотор-редукторы Bonfiglioli A 20 |
| |
A 20...M
ТИП
|
|
M_FD M_FA |
M_FD |
M_FA |
AC |
H |
L |
AD |
Вес |
LF |
Вес |
R |
AD |
R |
AD |
A 20 2 |
S05 |
M05 |
121 |
143.5 |
432 |
95 |
16 |
498 |
18 |
96 |
119 |
116 |
95 |
A 20 2 |
S1 |
M1S |
138 |
152 |
437 |
108 |
17 |
500 |
19 |
103 |
132 |
124 |
108 |
A 20 2 |
S1 |
M1L |
138 |
152 |
461 |
108 |
18 |
522 |
21 |
103 |
132 |
124 |
108 |
A 20 2 |
S2 |
M2S |
156 |
161 |
490 |
119 |
22 |
560 |
26 |
129 |
143 |
134 |
119 |
A 20 2 |
S3 |
M3S |
195 |
180.5 |
533 |
142 |
27 |
629 |
34 |
160 |
155 |
160 |
142 |
A 20 2 |
S3 |
M3L |
195 |
180.5 |
565 |
142 |
34 |
656 |
41 |
160 |
155 |
160 |
142 |
A 20 3 |
S05 |
M05 |
121 |
143.5 |
457.5 |
95 |
16 |
553.5 |
18 |
96 |
119 |
116 |
95 |
A 20 3 |
S1 |
M1S |
138 |
152 |
462.5 |
108 |
17 |
555.5 |
20 |
103 |
132 |
124 |
108 |
A 20 3 |
S1 |
M1L |
138 |
152 |
486.5 |
108 |
19 |
577.5 |
21 |
103 |
132 |
124 |
108 |
A 20 3 |
S2 |
M2S |
156 |
161 |
545.5 |
119 |
23 |
615.5 |
27 |
129 |
143 |
134 |
119 |
A 20 3 |
S3 |
M3S |
195 |
180.5 |
588.5 |
142 |
28 |
684.5 |
35 |
160 |
155 |
160 |
142 |
A 20 3 |
S3 |
M3L |
195 |
180.5 |
620.5 |
142 |
35 |
711.5 |
42 |
160 |
155 |
160 |
1 |
A 20...P(IEC)
| ТИП |
M |
M1 |
M2 |
N |
N1 |
N2 |
N3 |
N4 |
X |
P |
Вес |
A 20 2 |
P63 |
11 |
12.8 |
4 |
140 |
115 |
95 |
— |
M8x19 |
4 |
306 |
12 |
A 20 2 |
P71 |
14 |
16.3 |
5 |
160 |
130 |
110 |
— |
M8x16 |
4.5 |
306 |
12 |
A 20 2 |
P80 |
19 |
21.8 |
6 |
200 |
165 |
130 |
— |
M10x12 |
4 |
325.5 |
13 |
A 20 2 |
P90 |
24 |
27.3 |
8 |
200 |
165 |
130 |
— |
M10x12 |
4 |
325.5 |
13 |
A 20 2 |
P100 |
28 |
31.3 |
8 |
250 |
215 |
180 |
— |
M12x16 |
4.5 |
335.5 |
17 |
A 20 2 |
P112 |
28 |
31.3 |
8 |
250 |
215 |
180 |
— |
M12x16 |
4.5 |
335.5 |
17 |
A 20 3 |
P63 |
11 |
12.8 |
4 |
140 |
115 |
95 |
— |
M8x19 |
4 |
361.5 |
13 |
A 20 3 |
P71 |
14 |
16.3 |
5 |
160 |
130 |
110 |
— |
M8x16 |
4.5 |
361.5 |
13 |
A 20 3 |
P80 |
19 |
21.8 |
6 |
200 |
165 |
130 |
— |
M10x12 |
4 |
381 |
14 |
A 20 3 |
P90 |
24 |
27.3 |
8 |
200 |
165 |
130 |
— |
M10x12 |
4 |
381 |
14 |
A 20 3 |
P100 |
28 |
31.3 |
8 |
250 |
215 |
180 |
— |
M12x16 |
4.5 |
391 |
18 |
A 20 3 |
P112 |
28 |
31.3 |
8 |
250 |
215 |
180 |
— |
M12x16 |
4.5 |
391 |
18 |
A 20...F...
A 20...UR
A 20...UD
A 20...UH
A 20...US
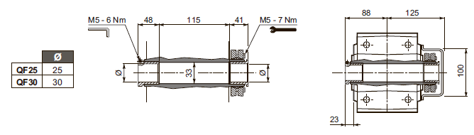
A 20...QF
A 20...UV
|
| |